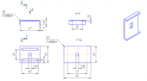
ПЭРТ 010.12-00-2
Структура и материалы средства крепления
Основополагающей частью структуры средства крепления являются компоненты, подвергаемые множественным напряжениям и нагрузкам. Материалы, применяемые для изготовления этих частей, должны обладать не только высокой прочностью, но и способностью сохранять свои свойства в условиях эксплуатации.
Процесс формирования и выбора материалов предполагает учет таких параметров, как механические свойства, стойкость к воздействию окружающей среды, а также экономическая целесообразность. Разнообразие доступных материалов позволяет находить оптимальные решения для конкретных ситуаций, учитывая требования к надежности и долговечности изделия.
Преимущества использования перфорированного ограждения
- Прозрачность и сохранение видимости. Перфорированная структура позволяет сохранить видимость за пределами ограждения, что обеспечивает комфортное пребывание на территории и позволяет наблюдать за окружающей обстановкой.
- Устойчивость к внешним воздействиям. Материалы, используемые для изготовления перфорированных ограждений, обладают высокой степенью стойкости к коррозии, ультрафиолетовому излучению, атмосферным осадкам и механическим воздействиям, обеспечивая долговечность конструкции.
- Возможность вентиляции и освещения. Перфорированная структура способствует естественной циркуляции воздуха и проникновению света, что создает благоприятные условия для растительного и животного мира, а также повышает комфорт пребывания на охраняемой территории.
- Эстетическая привлекательность. Сочетание функциональности и дизайнерских решений делает перфорированные ограждения элегантным элементом архитектурного оформления, способствующим созданию гармоничного облика объекта.
- Простота монтажа и обслуживания. Гибкость конструкции и легкость материала упрощают процесс установки и обслуживания перфорированных ограждений, что экономит время и ресурсы.
